|
量程 |
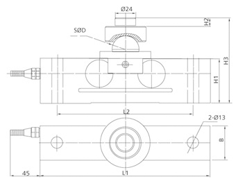
尺寸 |
||||||
|
t |
L1 |
L2 |
B |
H1 |
H2 |
H3 |
D |
|
0.5 |
180.0 |
150.0 |
37.0 |
43.0 |
10.0 |
85.5 |
Φ25.5 |
|
2~3 |
200.0 |
160.0 |
40.0 |
52.0 |
10.0 |
99.8 |
Φ31.8 |
|
量程 |
尺寸 |
||||||
|
t |
L1 |
L2 |
B |
H1 |
H2 |
H3 |
D |
|
0.5 |
180.0 |
150.0 |
37.0 |
43.0 |
10.0 |
85.5 |
Φ25.5 |
|
2~3 |
200.0 |
160.0 |
40.0 |
52.0 |
10.0 |
99.8 |
Φ31.8 |
|
主 要 技 术 指 标Main Description |
|||
|
测量范围Capacity |
0.5、2、3 |
kg |
|
|
输出灵敏度Rated Output |
2.0±0.010 |
mV/V |
|
|
非线性Linear |
±0.05 |
%F.S |
|
|
滞后Hysteresis |
±0.05
|
%F.S |
|
|
重复性Reapeatability |
±0.02
|
%F.S |
|
|
蠕变Creep
|
±0.03
|
%F.S |
|
|
零点输出Zero Balance |
≤±1.0
|
%F.S |
|
|
温度补偿范围 Conpensated Temperature Range |
室温~+60 |
℃ |
|
|
零点温度补偿系数Temperature Effect On Zero |
±0.05 |
%F.S/10 ℃ |
|
|
额定输出温度系数 Temperature Effect On Output
|
±0.05 |
%F.S/10 ℃ |
|
|
供桥电压 Excitation Voltage |
10V |
AC/DC |
|
|
绝缘电阻Insulation Resistence |
≥2000 |
MΩ/100VDC |
|
|
输入电阻 Input Resistence |
760±8 |
Ω |
|
|
输出电阻Output Resistence |
700±2 |
Ω |
|
|
允许过载系数Safe Overload |
120 |
%F.S |
|
|
电缆连接方式Cable Connection
|
信号输出Singal Output: 黄:Yellow (+) 黑:Black (-) |
||
|
供桥电压Excitation Voltage: 红Red: (+) 绿Green: (-) |
|||
在线订购